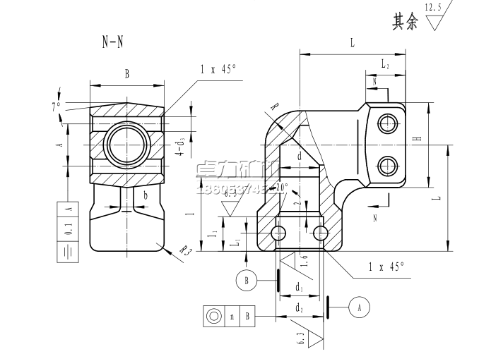
弯通是管道安装中常用的一种连接用管件,连接两根公称通径相同或者不同的管子,使管路做一定角度转弯。

| 序号 | 图号 | 产品名称 | 规格型号 | 单位 |
|---|---|---|---|---|
| 1 | KJ6-10 | 弯通 | 个 | |
| 2 | KJ6-13 | 弯通 | 个 | |
| 3 | J2-10 | 弯通 | DN10 | 个 |
| 4 | J2-12.5 | 弯通 | DN12 | 个 |
| 5 | J2-19 | 弯通 | DN20 | 个 |
| 6 | J2-25 | 弯通 | DN25 | 个 |
| 7 | KJ6-10 | 弯通 | 个 |
一、弯通的主要技术参数:


二、弯通的用途及功能:
弯通是管道安装中常用的一种连接用管件,连接两根公称通径相同或者不同的管子,使管路做一定角度转弯。
三、弯通的使用位置:
用在液压系统的各种管路当中和阀管之间等。
四、弯通在运输、安装或者使用时注意事项:
1.运输中要保护好管接头不受损坏、锈蚀等,管接头孔要用塑料帽、堵保护好,在工作现场安装时才能去掉。
2.拆卸或更换时,应在相关液压缸卸载后操作,防止伤人;接通各个液压管路前,放出少许乳化液冲刷系统和液压部件,以免赃物带入系统。
3.在进行检修工作中,绝不能带压拆卸,需要拆卸更换时,必须关闭主进液管路。
五、弯通的常见故障、原因与排除方法:
| 部位 | 故障现象 | 可能原因 | 排除方法 |
| 弯通 | 管接头损坏 |
1、升降、推移架过程被挤碰坏 2、装卸困难,加工尺寸或密封圈不合格 3、密封面或O形圈损坏,不能密封 4、接头体渗液为锻件裂纹气 |
1、损坏接头及时更换 2 、拆检、密封圈不当要更换 3 更换密封圈或接头 4 更换接头 |
![[field:title function='html2text(@me)'/]](/static/upload/image/20251217/1765938453651397.jpg)
![[field:title function='html2text(@me)'/]](/static/upload/image/20251217/1765938370253855.jpg)
![[field:title function='html2text(@me)'/]](/static/upload/image/20250915/1757906885102576.png)