一种快速接头的堵,作用于液压管路系统中的各个零部件,专用于堵塞三通、直通等产品,防止漏液。

| 序号 | 图号 | 产品名称 | 规格型号 | 单位 |
|---|---|---|---|---|
| 1 | KJ11-10 | 堵 | 个 | |
| 2 | KJ11-13 | 堵 | 个 | |
| 3 | KJ11-16 | 堵 | 个 | |
| 4 | KJ11-19 | 堵 | 个 | |
| 5 | KJ11-25 | 堵 | 个 | |
| 6 | KJ11-32 | 堵 | 个 | |
| 7 | KJ11-38 | 堵 | 个 | |
| 8 | ZT00B-03/7 | 堵 | 个 | |
| 9 | D2-10 | 堵 | DN10 | 个 |
| 10 | D2-12.5 | 堵 | DN12 | 个 |
| 11 | D2-16 | 堵 | 个 | |
| 12 | D2-19 | 堵 | DN20 | 个 |
| 13 | D2-25 | 堵 | DN25 | 个 |
| 14 | D2-32 | 堵 | DN32 | 个 |
一、堵的主要技术参数:

二、堵的用途及功能:
是一种快速接头的堵,作用于液压管路系统中的各个零部件,专用于堵塞三通、直通等产品,防止漏液。
三、堵的使用位置:
用于管路系统中不用的接口处。
四、堵的常见故障、原因与排除方法:

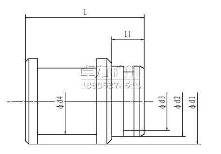
| 规格 | 类别 | d1 | d2 | d3 | d4 | L1 | L | |
| 6.3 | D | 15 | 10 | 6.8 | 8.5 | 11 | 34 | |
| 8 | D | 20 | 14 | 10.8 | 13.5 | 11 | 34 | |
| 10 | D | 20 | 14 | 10.8 | 13.5 | 11 | 34 | |
| 12.5 | D | 24 | 18 | 14 | 17.5 | 11 | 34 | |
| 16 | D | 26 | 21 | 17 | 19.5 | 11 | 34 | |
| 19 | D | 29 | 24 | 20 | 22.5 | 11 | 34 | |
| 25 | D | 39 | 31 | 27 | 29 | 11 | 40 | |
| 31.5 | D | 46 | 38 | 34 | 36 | 11 | 40 | |
| G | 45.5 | 38 | 34 | 36 | 15 | 66 | ||
| 38 | D | 55 | 47 | 42 | 45 | 13 | 47 | |
| G | 54.5 | 44 | 39 | 45 | 16 | 74 | ||
| 51 | D | 64 | 56 | 51 | 55 | 13 | 47 | |
| G | 63.5 | 50 | 45 | 55 | 16 | 74 | ||
是一种快速接头的堵,作用于液压管路系统中的各个零部件,专用于堵塞三通、直通等产品,防止漏液。
三、堵的使用位置:
用于管路系统中不用的接口处。
四、堵的常见故障、原因与排除方法:
| 部位 | 故障现象 | 可能原因 | 排除方法 |
| 堵 | 堵锈蚀、掉落 | 因水质、气体原因或时间过长发生锈蚀 | 更换新的堵 |
![[field:title function='html2text(@me)'/]](/static/upload/image/20251217/1765938453651397.jpg)
![[field:title function='html2text(@me)'/]](/static/upload/image/20251217/1765938370253855.jpg)
![[field:title function='html2text(@me)'/]](/static/upload/image/20250915/1757906885102576.png)