欢迎光临山东卓力液压支架生产厂家官方网站! 设为首页 | 加入收藏
他们都在搜索:液压支架 液压支架千斤顶 液压支架立柱 液压支架换向阀 液压支架密封件
产品中心
联系方式
山东卓力液压支架生产厂家
地 址:济宁任城区南张工业园
联系人:曹经理
手 机:18605374511
电 话:0537-7970778
传 真:0537-2208001
Q  Q:1756007368
邮 箱:zhuoligk@163.com
网 址:http://www.oshiete-sakimono.com/
液压支架阀类当前位置: 首页>>产品中心>>液压支架阀类

DN系列单向锁

DN系列单向锁_ZCF4.01-03阀套_液压支架操纵阀阀套
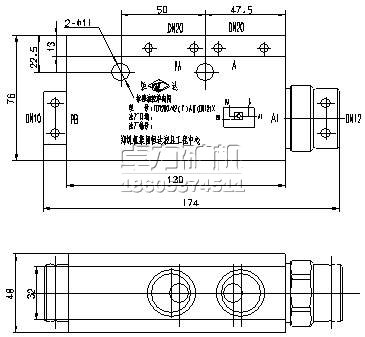
单向锁一般用来封闭液压支架千斤顶活塞腔的压力液,也用于封闭活塞杆腔。单向锁,它包括阀体,开设在所述阀体内的阀腔,设置在所述阀腔内的阀座、阀芯、阀芯回位弹簧。
DN系列单向锁

DN系列单向锁规格型号
序号 图号 产品名称 规格型号 单位
1 DS-80 DN系列单向锁 DS-80
2 ZT00FD-11 DN系列单向锁 DS10
3 ZT00FD-21 DN系列单向锁 ZDS16
4 ZT00FD-16 DN系列单向锁 Q/ZZM2047-85(ZDS)
5 ZDS DN系列单向锁 ZDS
6 ZDS13A DN系列单向锁 ZDS13A
7 ZDS16A DN系列单向锁  
8 QJ/ZZM2047-87 DN系列单向锁  
9 ZDSA DN系列单向锁 ZDSA
10 YD-PK200/40Ⅱ DN系列单向锁 YD-PK200/40Ⅱ
11 YD-PK125/40A DN系列单向锁 YD-PK125/40A
12 YD-PK125/40 DN系列单向锁 YD-PK125/40
13 YD-PK-200/40ⅡA DN系列单向锁 YD-PK-200/40ⅡA
14 YDAZ-PK200/40 Bφ10 DN系列单向锁 YDAZ-PK200/40 Bφ10
15 YDA-PK200/40 Bφ12.5 DN系列单向锁 YDA-PK200/40 Bφ12.5
16 YD-PK125/40IA DN系列单向锁 YD-PK125/40IA
17 YD-PK125/40I DN系列单向锁 YD-PK125/40I
18 YD-PK125/40TY DN系列单向锁  
19 YD-PK-200/40ⅡB DN系列单向锁 YD-PK-200/40ⅡB
20 YD-PK125/400(A) DN系列单向锁 YD-PK125/400(A)
21 YD-PK125/40ⅠY DN系列单向锁  
22 BK2F1.00 DN系列单向锁  
23 YDF-200(G) DN系列单向锁 YDF-200(G)
24 ZT00FD-19 DN系列单向锁 ZDF-200/42G

单向锁作用:  一般用来封闭液压支架千斤顶活塞腔的压力液,也用于封闭活塞杆腔。

一、单向锁结构特点
      本阀选用不锈钢材质,联接形式为管式连接;插装式阀芯组件,结构紧凑,拆装维护方便;密封副为金属锥面密封结构,寿命长;静密封位置采用优质密封件密封,密封可靠。
 单向锁结构特点
二、单向锁使用位置:
      单向锁使用在液压支架千斤顶上面,用来锁闭千斤顶上腔或者下腔。
三、单向锁的常见型号:
       DSF、ZDS、 DS10、YD-PK125/40、 YD-PK200/40、YDF-42/200G、ZDF-42/2、ZDS16A、FDY480/50
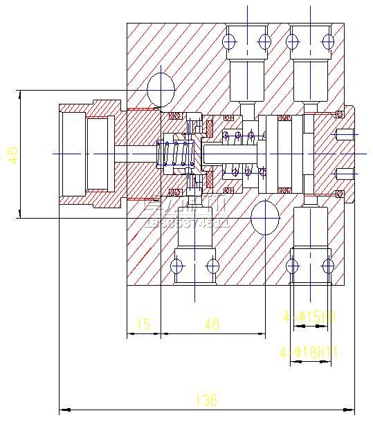
四、单向锁工作原理图:
    单向锁工作原理图
五、单向锁工作原理:
      单向锁,它包括阀体,开设在所述阀体内的阀腔,设置在所述阀腔内的阀座、阀芯、阀芯回位弹簧,以及开设在阀体上与阀座一侧阀腔相通的进液口和与阀芯一侧阀腔相通的出液口;所述阀腔为贯穿阀体的通腔,在阀腔左端口螺纹密封连接有端套,所述阀芯回位弹簧设置在所述端套孔腔内;所述阀座镶嵌在阀座套上;在阀座一侧阀腔内密封滑动设置有顶杆,所述顶杆延伸到阀座套内,在顶杆上套装有顶杆回位弹簧;阀腔右端口通过螺纹塞堵密封;位于螺纹塞堵与顶杆之间的阀腔与开设在阀体上的控制液进口和控制液出口相通。
六、单向锁常见故障、原因及处理方法:
    
 
单向
不能闭锁油路 1、阀芯与阀座密封处有杂物。
2、阀垫或O形圈损坏。
3、阀芯多次冲击变形,蹩卡不复位。
4、与之配套的安全阀损坏。
1、拆卸清理杂物。
2、更换密封件。
3、更换阀芯或整体更换
4、更换维修。
闭锁腔不回液
立柱千斤顶不
     降柱
1、顶杆变形、折断、打不开阀芯。
2、顶杆处密封损坏,向回路串液。
3、控制油路堵塞,不通液。
4、顶杆与壳体或阀套蹩卡,推不动。
1、更换顶杆。
2、更换密封件。
3、检查管路,保障畅通。
4、更换。
立柱上腔涨缸 1、液控腔不回液或阀接板孔不透。
2、弯头、胶管等管路不通。
3、回液截止阀、回油断路阀没打开。
4、操纵阀不回油或打开间隙太小。
1、检查更换。
2、检查更换。
3、打开截止阀。
4、维修操纵阀。

copyright (c) 2016 山东卓力液压支架生产厂家 版权所有 鲁ICP备13002216号-13
地址:济宁市任城区南张工业园 销售热线:18605374511 18953724511
电话:0537-7970778 2558089 传真:0537-2208001 点击这里给我发消息